新洁能

— A股代码:605111 —

Super Trench MOSFET Gen.3

Super Trench 产品概况

新洁能提供击穿电压等级范围为25V至150V的N沟道Super Trench Gen.3系列功率MOSFET 产品,其超低的导通电阻(RDS(on))与超低栅极电荷(Qg)的特点,结合先进轻巧紧凑的封装进一步提高了系统的功率密度与能量转换效率。

同时,面向性能与鲁棒性要求极为苛刻的低频应用,新洁能N沟道Super Trench Gen.3系列产品进一步优化了大电流关断能力、反向恢复过流能力、静电防护能力,可满足包括直流电机驱动、锂电池保护、AC/DC同步整流等广泛应用。此外,相比于新洁能上一代Super Trench Gen.2系列产品,Super Trench Gen.3系列产品特征导通电阻Ron.sp 降低30%,FOM值降低30%,为设计人员进一步提高系统效率提供了更优的选择。


注:“Super Trench MOSFET”又称“SGT MOSFET”。 

          

               


Super Trench平台系列



产品性能概况



能量损耗低

以100V SGT为例,Gen.3产品相对Gen.1 Rsp(特征导通电阻)降低56%,相对Gen.2 Rsp降低34%



100V SGT代表产品与竞品参数对比


稳定性强

以一款100V/120A SGT Gen.3产品为例,基于72V 12管二轮电动车控制器电路,相同外围条件,与主流竞品对比做堵转测试,100V Gen.3产品相对竞品米勒振荡大幅降低,系统稳定性提升。


SGT Gen.3 控制器波形_堵转



主流竞品 控制器波形_堵转


RRSOA(反向恢复安全工作区)宽

以150V SGT为例,基于双脉冲测试平台,Gen.3相对Gen.1和主流竞品RRSOA(反向恢复安全工作区)提升1倍以上。


备注:测试设备极限电流能力为430A


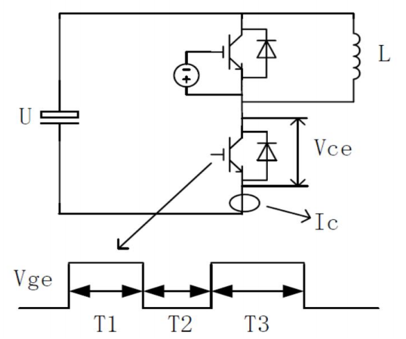
双脉冲测试电路图


双脉冲测试平台


Super Trench封装技术概况


先进封装


Super Trench典型应用


命名规则

Super Trench Gen.3命名规则


Super Trench Gen.2命名规则


Super Trench Gen.1命名规则